
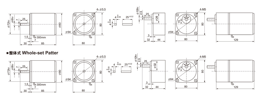
外形尺寸

电机参数
| 型号 | 级数 | 功率 | 电压 | 频率 | 电流 | 起动转距 | 额定转距 | 额定转速 | 电容 |
| Type | No.of | Power | Voltage | Frequency | Current | Starting torque | Rated torque | Rated speed | Capacitor |
| P | W | V | Hz | A | mN.m(g.cm) | mN.m(g.cm) | r/min | μF/V Ac | |
| YYCJ80-25 | 4 | 25 | 110 | 50/60 | 0.52 | 108(1100) | 190(1930) | 1200/1500 | 8/250 |
| YYCJ80-25 | 4 | 25 | 220 | 50 | 0.26 | 108(1100) | 190(1930) | 1200 | 2/450 |
| YYCJ80-30 | 4 | 30 | 110 | 50/60 | 0.66 | 134(1366) | 235(2395) | 1200/1500 | 10/250 |
| YYCJ80-30 | 4 | 30 | 220 | 50 | 0.32 | 134(1366) | 235(2395) | 1200 | 2.5/450 |
接线图

带减速器后允许负载
| 额定转速(r/min) Rated speed | 400 | 300 | 240 | 188 | 120 | 100 | 75 | 60 | 48 | 38 | 27 | 24 | 19 | 15 | 12 | 9.6 | 7.5 | 6 | 5 | 2.5 | ||
| 减速比 Gear redution ratio | 3 | 4 | 5 | 6.4 | 10 | 12 | 16 | 20 | 25 | 32 | 45 | 50 | 63 | 80 | 100 | 125 | 160 | 200 | 250 | 500 | ||
| 允许 负载 | 25W | N.m | 0.45 | 0.60 | 0.74 | 0.96 | 1.57 | 1.96 | 2.35 | 2.94 | 3.5 | 4.7 | 5.7 | 6.7 | 7.8 | 7.8 | 7.8 | 7.8 | 7.8 | 7.8 | 7.8 | 7.8 |
| Kg.cm | 4.6 | 6.1 | 7.6 | 9.8 | 16 | 20 | 24 | 30 | 36 | 48 | 58 | 68 | 80 | 80 | 80 | 80 | 80 | 80 | 80 | 80 | ||
| 30W | N.m | 0.54 | 0.72 | 0.89 | 1.15 | 1.88 | 2.35 | 2.85 | 3.53 | 4.2 | 5.64 | 6.84 | 8.04 | 9.36 | 9.36 | 9.36 | 9.36 | 9.36 | 9.36 | 9.36 | 9.36 | |
| Kg.cm | 5.52 | 7.32 | 9.1 | 11.7 | 19.2 | 24 | 28.8 | 36 | 43.2 | 57.6 | 69.6 | 78 | 90 | 90 | 90 | 90 | 90 | 90 | 90 | 90 | ||
视频展示
荣誉资质
客户服务